| 【產品名稱】 | MF-2905拉力雙向結構力傳感器 |
| 【所屬分類】 | 力學傳感器 |
| 【產品型號】 | MF-2905 |
| 【市場價格】 | 面議/電詢 |
| 【產品品牌】 | motive |
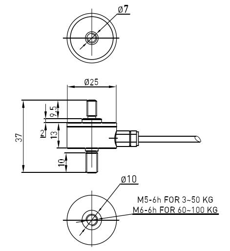
| 【產品尺寸】 |
特點和用途
不銹鋼材料,低外形,采用金屬箔式應變片技術。
主要用于推拉力計,料斗秤,工業測量系統。
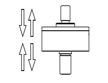
受力方式

接線圖
尺寸及量程
量程:1 .2, 3, 5, 10, 15, 20, 30, 50, 60, 100kg
技術參數

Copyright ? 2019-2024 www.yuhangcast.com.cn All Rights Reserved 浙ICP備2021010018號-2 技術支持:和眾互聯